Aggregat
K3 PRO

justierte Kurbelwelle für einen perfekt vibrationsfreien Lauf

  • Lieferung erfolgt inkl. Riemenrad und Luftfilter
  • Qualitativ hochwertige Industrielager
  • Präzise gehonte Laufzylinder und Spezialkolbenringe für verminderten Ölverbrauch
  • Innen beschichtetes Kurbelwellengehäuse, um Ölverluste zu vermeiden
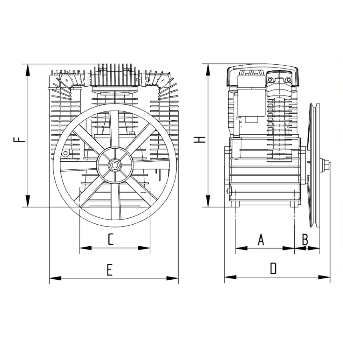
  • Maße (mm / siehe Zeichnung): A: 100, B: 100, C: 125, D: 300, E: 250, F: 350
  • EAN: 4260405385102
    ProSales: 2010231

    Hersteller:
    pro)SALES GmbH, AEROTEC Kompressoren
    Ferdinand-Porsche-Str. 16, 63500 Seligenstadt, Deutschland
    info@aerotec.info

    Artikelnummer: 25501200 Kategorien: ,
    ProSemiprofi1_Zylinder1_stufigoelgeschmiert

    Zusätzliche Informationen

    Gewicht 6,405 kg
    Maße 30 × 25 × 40 cm
    Anschlussspannung

    230 V

    Höchstdruck bar

    Anzahl der Zylinder

    Ansaugleistung ca.

    180 l/min

    Füllleistung ca.

    120 l/min

    Erläuterung Fülleistung

    120 l/min

    Abgabeleistung

    0,75 kW

    Anzahl der Verdichtungsstufen

    Ölschmierung

    Suche Druckluftbedarf