Aggregat K25 PRO

  • Keilriemenbetriebenes Industrieaggregat
  • Mit Edelstahlventilplatten
  • Genau justierte Kurbelwelle für einen perfekt vibrationsfreien Lauf
  • Lieferung erfolgt inkl. Riemenrad und Luftfilter
  • Qualitativ hochwertige Industrielager
  • Präzise gehonte Laufzylinder und Spezialkolbenringe für verminderten Ölverbrauch
  • Innen beschichtetes Kurbelwellengehäuse, um Ölverluste zu vermeiden
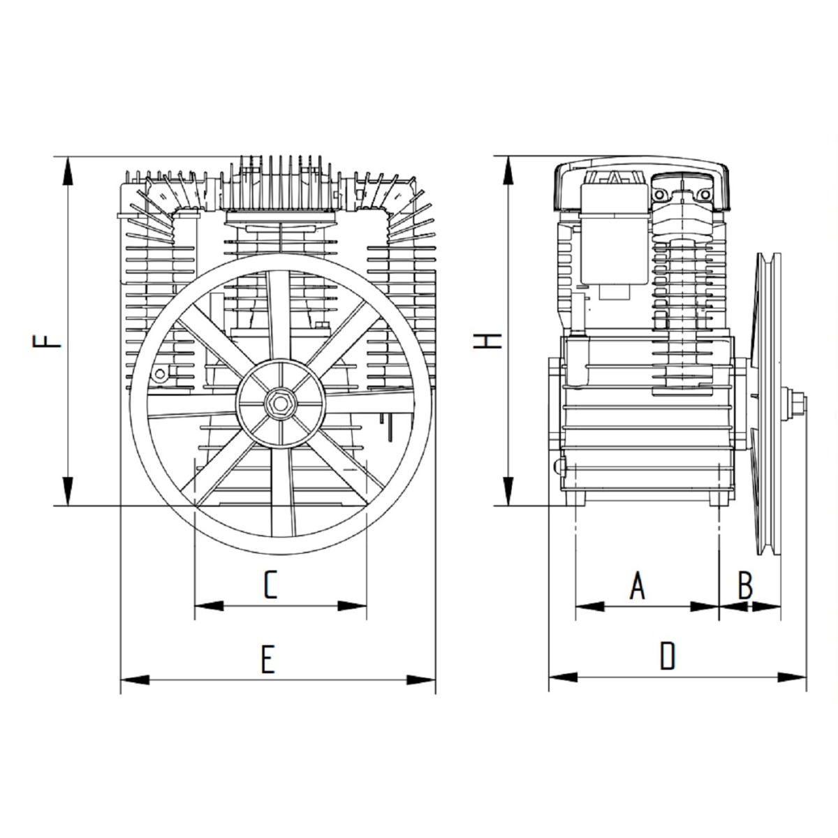
  • Maße (mm / siehe Zeichnung): A 163, B 100, C 206, D 310, E 385, F 520, H 415

EAN: 4260135777147
ProSales: 2010196

Hersteller:
pro)SALES GmbH, AEROTEC Kompressoren
Ferdinand-Porsche-Str. 16, 63500 Seligenstadt, Deutschland
info@aerotec.info

Artikelnummer: 25506200 Kategorien: ,
ProSemiprofi2_Zylinder2_stufigoelgeschmiert

Zusätzliche Informationen

Gewicht 23,1 kg
Maße 28 × 31,5 × 41 cm
Länge (Produkt) ca.

520 mm

Breite/Tiefe (Produkt) ca.

385 mm

Höhe (Produkt) ca.

310 mm

Gewicht (Netto) ca.

22 kg

Höchstdruck bar

Anzahl der Zylinder

Ansaugleistung ca.

620 l/min

Drehzahl

1400 min¯¹

Anzahl der Verdichtungsstufen

Mobil / Stationär
Ölschmierung

Empfohlener Antriebsmotor
Suche Druckluftbedarf